攀枝花市政府网
四川省政府网
中国政府网
中文版
|
繁體版
|
登录
|
注册
网站首页
走进米易
政府信息公开
政务服务
政民互动
三农服务
旅游服务
投资服务
您当前的位置:
首页
>
政务公开
>
信息公开平台
>
政府网站工作年度报表
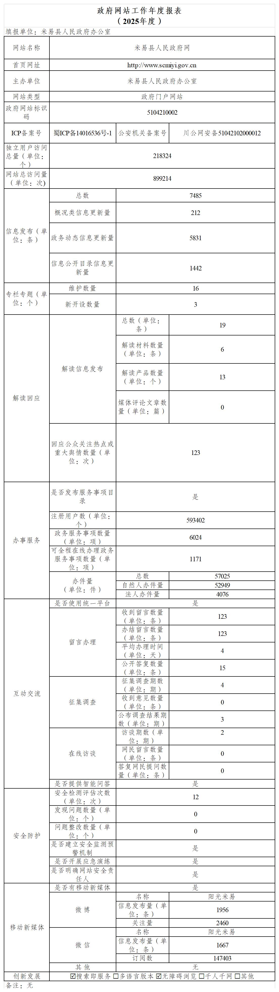
攀枝花市米易县政府网站工作年度报表(2025年度)
来源:
米易县人民政府办公室
发布时间:
2026-01-05
选择阅读字号:[
大
中
小
] 阅读次数:
0
审核: 毕媛玲 责任编辑: 王茜